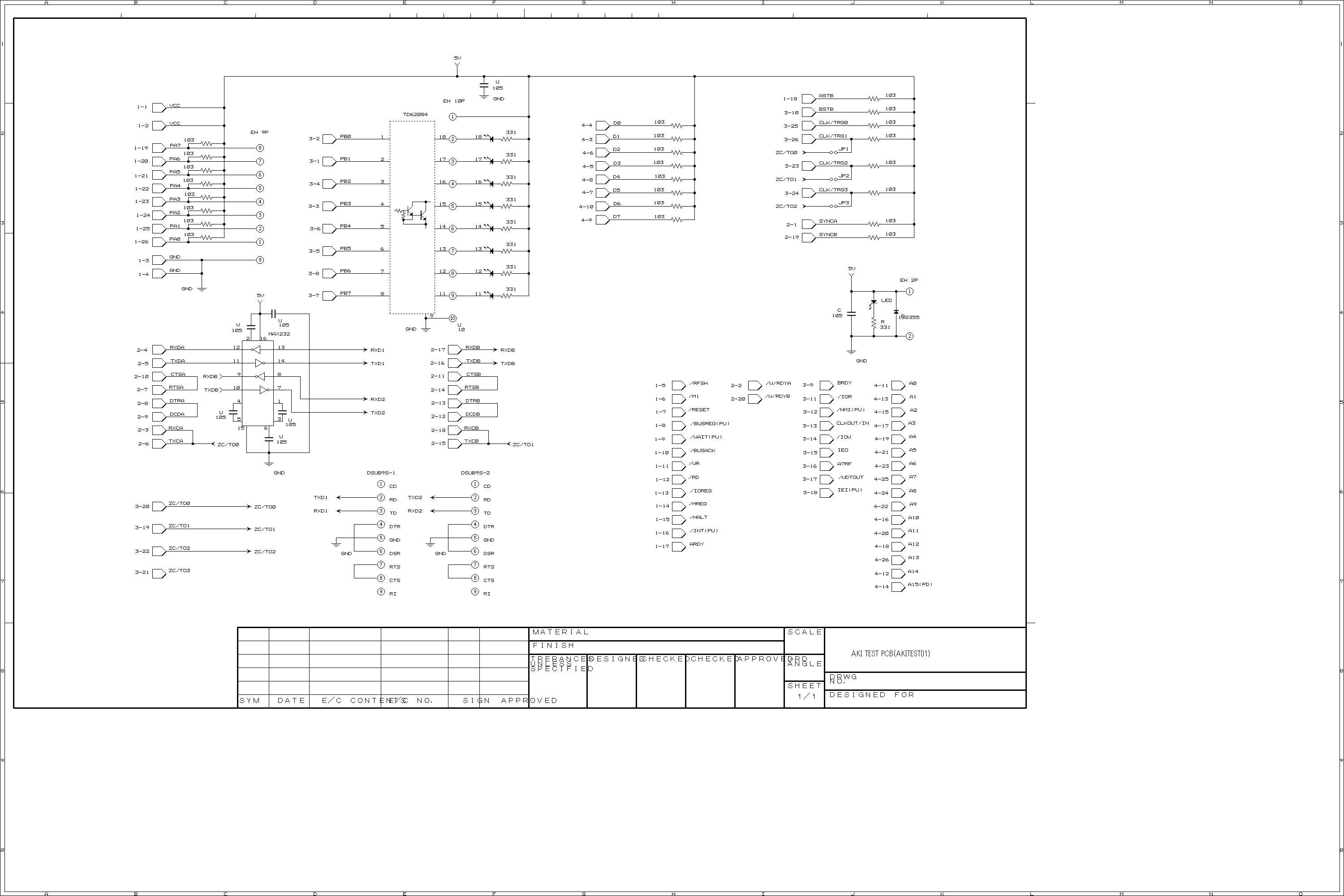
| z80のページ この度、AKI-80用インターフェースボードを開発しました 仕様: 入出力:8BIT CMOS出力(PIOポートをプルアップ) 出力:8BIT トランジスタ出力または、LED8ケ 232Cインターフェース:2CH タイマ:4CH(ジャンパで数珠つなぎ可能) 価格:¥4000(CPUボード含まず) 価格:¥8000(CPUボード含) 回路図はココ |
|
| 今となっては、過去の遺物ですが、当社ではまだまだ現役で使用しています | |
Z80命令(PDF形式) LHAで圧縮されています |
|
| PIO(パラレルインプット・アウトプット)の使い方 Z80ファミリの中では、一番簡単です PIO説明(PDF形式) |
|
| CTC(カウンタタイマサーキット)の使い方 タイマ割り込み・外部割り込みを制御します CTC説明(PDF形式) |
|
| SIOの使い方 レジスタがたくさんあるので面倒ですが、なれれば簡単です SIO説明(PDF形式) |